В наличии
Артикул: 00000049341
240.00р.
Характеристики:
(Смотреть все)
Вес нетто, гр
2
Описание
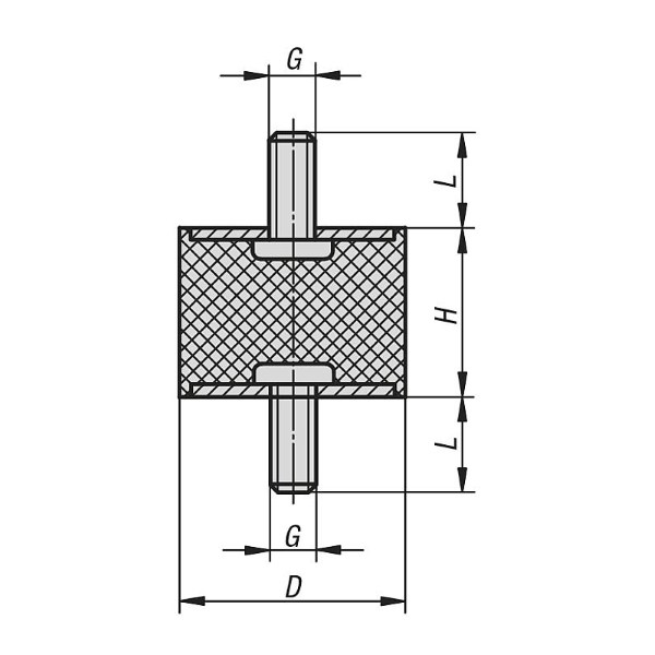
Металлические детали: сталь класса прочности 5.6
Эластомер: натуральный каучук, средняя твердость, твердость по Шору 55 А.
Резинометаллические буферы являются широко распространенными конструктивными элементами систем упругих опор. Они используются при установке агрегатов, двигателей, компрессоров, насосов и испытательных машин.
Диапазон температур: -30 °C до +80 °C.
Эластомер: натуральный каучук, средняя твердость, твердость по Шору 55 А.
Резинометаллические буферы являются широко распространенными конструктивными элементами систем упругих опор. Они используются при установке агрегатов, двигателей, компрессоров, насосов и испытательных машин.
Диапазон температур: -30 °C до +80 °C.
Характеристики
Общие
Вес нетто, гр
2

Антивибрационная опора (виброгаситель) D=10 H=15 L=10 M4
240.00р.