В наличии
Артикул: 00000043447
690.00р.
Описание
КОД ПРОИЗВОДИТЕЛЬ
36322003 PROMAC
36322003 RANCILIO
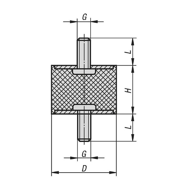
Металлические детали: сталь класса прочности 5.6
Эластомер: натуральный каучук, средняя твердость, твердость по Шору 55 А.
Резинометаллические буферы являются широко распространенными конструктивными элементами систем упругих опор. Они используются при установке агрегатов, двигателей, компрессоров, насосов и испытательных машин.
Диапазон температур: -30 °C до +80 °C.
36322003 PROMAC
36322003 RANCILIO
Металлические детали: сталь класса прочности 5.6
Эластомер: натуральный каучук, средняя твердость, твердость по Шору 55 А.
Резинометаллические буферы являются широко распространенными конструктивными элементами систем упругих опор. Они используются при установке агрегатов, двигателей, компрессоров, насосов и испытательных машин.
Диапазон температур: -30 °C до +80 °C.

АНТИВИБРАЦИОННАЯ ОПОРА (виброгаситель)
690.00р.